본문으로 건너뛰기
  1. Posts/

라즈베리파이의 15핀, 22핀 카메라 단자.

·
Rpi SBC
작성자
hw5e
page.hw5e.cc
목차

15핀 단자와 22핀 단자
#

라즈베리파이의 카메라 단자는 15핀짜리와 22핀 짜리 두종류가 있는데 15핀 짜리는 mipi csi 2레인까지 되고 22핀 짜리는 4레인까지 된다고 한다. 15핀은 핀 간격이 1mm인데 22핀은 0.5mm라 22핀이 핀 개수는 더 많은데 단자 크기는 더 작다.
원래는 Raspberry Pi Zero 보드 처럼 공간이 부족한 경우에 22핀 단자를 사용했지만 지금은 mipi csi 레인 개수를 늘리면서 Raspberry Pi 5에도 22핀 단자를 사용하는 등 22핀 단자가 쓰이는 경우가 늘어나고 있다.
그런데 라즈베리파이 카메라 모듈들은 사면 보통 15핀 케이블만 주기 때문에 변환해주는 케이블 같은 것을 따로 사든지 해야한다.

핀 배열
#

라즈베리파이 문서 같은 곳에서 각 핀이 무슨 역할을 하는지 자세히 설명해주지 않는 것 같은데 주는 회로도를 보면 대충 뭐하는 핀인지는 알 수는 있다.

그런데 mipi 규격부터가 자세한 규격을 회원에게만 공개하기 때문에 뭔가 알기가 어려운 것 같다.

15핀 (https://datasheets.raspberrypi.com/rpi3/raspberry-pi-3-a-schematics.pdf)

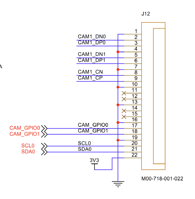
alt text
22핀 단자인데 2레인만 사용하는 경우 (https://datasheets.raspberrypi.com/rpizero2/raspberry-pi-zero-2-w-reduced-schematics.pdf)
4레인 모두 활성화 된 경우 (https://datasheets.raspberrypi.com/cmio/cmio-schematics.pdf)
alt text

라즈베리파이용 카메라를 만드는 업체인 aducam의 글에서 15-22핀 간 단자를 변환하는 법이나 각 핀이 하는 역할을 조금 더 자세한 내용을 볼 수 있었다. https://blog.arducam.com/raspberry-pi-camera-pinout/

핀 번호 역할 15핀 단자쪽 핀 번호 설명
1 gnd 1, 4, 7, 10 GND
2 cam_d0_n 2 0번 레인 데이터 -
3 cam_d0_p 3 0번 레인 데이터 +
4 gnd 1, 4, 7, 10
5 cam_d1_n 5 1번 레인 데이터 -
6 cam_d1_p 6 1번 레인 데이터 +
7 gnd 1, 4, 7, 10
8 cam_ck_n 8 mipi 클럭 -
9 cam_ck_p 9 mipi 클럭 +
10 gnd 1, 4, 7, 10
11 cam_d2_n 없음 2번 레인 데이터 -
12 cam_d2_p 없음 2번 레인 데이터 +
13 gnd 1, 4, 7, 10
14 cam_d3_n 없음 3번 레인 데이터 -
15 cam_d3_p 없음 3번 레인 데이터 +
16 gnd 1, 4, 7, 10
17 power_en 11 전원 활성화
18 led_en 12 LED 인디케이터
19 gnd 1, 4, 7, 10
20 scl 13 I2C SCL
21 sda 14 I2C SDA
22 vcc 15 전원

15핀 - 22핀 변환은 그냥 단순히 22핀단자의 4레인 중에서 2레인 부분만 쓰는 식이다.

저 라즈베리파이의 회로도의 CAM_GPIO0,1이 하는 역할이 전원이랑 LED 인디케이터랑 관련이 있는 듯 하는데 자세한건 모르겠다.

만약 라즈베리파이용 카메라를 다른 곳에 사용하거나 라즈베리파이 카메라 단자에 연결할 카메라를 만들 때 유용한 정보일지도?

Reply by Email